ECAN系列
BAS6102-CLT -
产品介绍:
特性
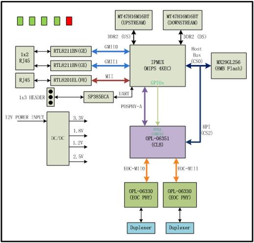
2个以上EOC链路(可级联扩展),连接nX64个CNU终端;超强上联能力,配置2个上行GE接口,支持1000/100/10Mbps的级联实现对多个CNU的接入控制和动态带宽分配(DBA);完成数据流汇聚、包分类处理、QoS及流量控制功能;内嵌高速MIPS处理器实现芯片和板级的控制。
Car Diagnostic Tools ECU Chip Tuning Airbag Reset Tool OBD2 Code Scanner XPROG-M V5.60


